連接件模型
Connector Model
Connector Model
聯系APAS / Contact us
- 地址:天津市西青經濟技術開發區賽達國際工業城A3-2.
- 郵箱:lxc@apas.com.cn
- 電話:022-87920088
- 傳真:請聯系網絡管理員
- 郵編:300385
- 咨詢熱線:13702119190(24小時服務熱線)
連接件模型
/ Connector Model

30系列鋁型材60*規格型材角件3d模型
產品描述 / Name
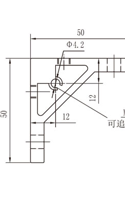
30系列60*規格鋁型材連接角碼適用于兩支6060、3060規格鋁型材之間90度直角連接,起固定支撐作用,可以下載角碼SLDWORKS三維模型進行框架結構的設計組裝;
022-87920099
可以根據需求進行設計加工,提供上門安裝服務;可以根據特殊需求進行鋁型材開模定制。
* 免費提供工業鋁型材選型手冊 →點擊咨詢
內容來源:http://m.hzmika.cn 作者:武將 發布日期:2020年04月13日 10時51分 閱讀次數:3420 次
| 該規格鋁型材連接角碼適用于30系列6060*規格型材之間直角連接,起固定支撐作用,型材角碼兩側有攻絲孔,可以經過加工處理后用于安裝端面封板,起防塵作用; |
![]() ![]()
|
| 60*規格鋁型材角碼材質為6063-T5系列擠壓型材,L的長度可以根據使用需求進行切割,最大長度為6m,表面經過噴砂-陽極氧化處理,具有較強的抗氧化能力;60*規格型材角碼裝配時通常與T型螺栓及法蘭螺母配合使用,連接強度高,韌性強; |
|
適用型材規格
|
L(mm)
|
D(mm)
|
M
|
材質
|
訂貨編號
|
|
60*
|
56
|
φ6.5/φ8.5
|
M5
|
6063-T5
|
CE-L5050-3056
|
聯系APAS/ Contact us
天津艾普斯工業鋁型材股份有限公司
聯系電話:022-87920088
企業傳真:(避免惡意廣告)請聯系該企業網絡管理員
服務熱線:13702119190 (24小時服務熱線)
Q Q:534973906
企業郵箱: lxc@apas.com.cn
企業地址:天津市西青經濟技術開發區賽達國際工業城A3-2
聯系電話:022-87920088
企業傳真:(避免惡意廣告)請聯系該企業網絡管理員
服務熱線:13702119190 (24小時服務熱線)
Q Q:534973906
企業郵箱: lxc@apas.com.cn
企業地址:天津市西青經濟技術開發區賽達國際工業城A3-2
采購意向留言:* 為必填






.jpg)






.jpg)

QQ咨詢
電話聯系
聯系電話

在線留言
樣冊下載
