連接件模型
Connector Model
Connector Model
聯系APAS / Contact us
- 地址:天津市西青經濟技術開發區賽達國際工業城A3-2.
- 郵箱:lxc@apas.com.cn
- 電話:022-87920088
- 傳真:請聯系網絡管理員
- 郵編:300385
- 咨詢熱線:13702119190(24小時服務熱線)
連接件模型
/ Connector Model

40系列鋁型材轉向角碼3d模型
產品描述 / Name
4040規格鋁型材轉向角碼主要適用于兩支鋁型材非垂直角度緊固連接,可以下載鑄鋁角碼SLDWORKS三維模型進行鋁型材框架的設計構想;
022-87920099
可以根據需求進行設計加工,提供上門安裝服務;可以根據特殊需求進行鋁型材開模定制。
* 免費提供工業鋁型材選型手冊 →點擊咨詢
內容來源:http://m.hzmika.cn 作者:武將 發布日期:2020年03月21日 15時06分 閱讀次數:3068 次
| CE-AB4040-8規格鋁型材轉向角碼主要用于兩支4040規格鋁型材非垂直角度連接,屬于較為常用的任意角連接配件之一,連接用半圓頭螺栓搭配螺母需要另配; |
![]() ![]()
|
| CE-AB4040-8規格鋁型材轉向角碼屬于熔鑄型連接配件,產品強度高,但對于型材角碼相比韌性較低;該規格型材轉向角碼表面經過噴砂氧化處理,具有較高的抗腐蝕能力,適用于環境較惡劣的生產環境之中; |
|
型材槽型
|
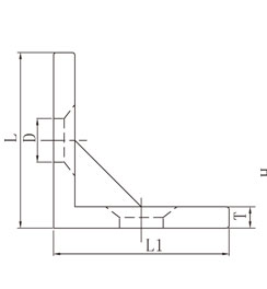
L(mm)
|
L1(mm)
|
H(mm)
|
T(mm)
|
T1(mm)
|
D(mm)
|
材質
|
訂貨編號
|
|
槽8
|
35
|
37
|
30
|
8
|
3
|
φ8.5
|
鋁合金
|
CE-AB4040-8
|
聯系APAS/ Contact us
天津艾普斯工業鋁型材股份有限公司
聯系電話:022-87920088
企業傳真:(避免惡意廣告)請聯系該企業網絡管理員
服務熱線:13702119190 (24小時服務熱線)
Q Q:534973906
企業郵箱: lxc@apas.com.cn
企業地址:天津市西青經濟技術開發區賽達國際工業城A3-2
聯系電話:022-87920088
企業傳真:(避免惡意廣告)請聯系該企業網絡管理員
服務熱線:13702119190 (24小時服務熱線)
Q Q:534973906
企業郵箱: lxc@apas.com.cn
企業地址:天津市西青經濟技術開發區賽達國際工業城A3-2
采購意向留言:* 為必填















QQ咨詢
電話聯系
聯系電話

在線留言
樣冊下載
