連接件模型
Connector Model
Connector Model
聯系APAS / Contact us
- 地址:天津市西青經濟技術開發區賽達國際工業城A3-2.
- 郵箱:lxc@apas.com.cn
- 電話:022-87920088
- 傳真:請聯系網絡管理員
- 郵編:300385
- 咨詢熱線:13702119190(24小時服務熱線)
連接件模型
/ Connector Model

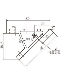
40系列鋁型材45度角碼斜角連接件3D模型
產品描述 / Name
40系列鋁型材45度角碼適用于鋁型材框架45度或135度斜角緊固連接,可以下載型材角碼3d數模或SLDWORKS三維模型進行工業框架結構的設計構想;
022-87920099
可以根據需求進行設計加工,提供上門安裝服務;可以根據特殊需求進行鋁型材開模定制。
* 免費提供工業鋁型材選型手冊 →點擊咨詢
內容來源:http://m.hzmika.cn 作者:武將 發布日期:2020年03月20日 13時30分 閱讀次數:2685 次
|
CE-L8080-4036規格鋁型材角碼屬于45度斜角連接配件,主要用于兩根40規格鋁型材之間45度或135度角的緊固連接,起固定、支撐作用;45度鋁型材斜角連接件屬于便捷型、高強度連接配件,使用時無需對鋁型材進行打孔攻絲處理,直接配合相應規格螺栓及螺母即可實現快速組裝連接; |
![]() ![]()
|
| 40系列45度鋁型材角碼屬于定制型鋁型材緊固連接配件,最大尺寸為6m,可以根據應用需求進行加工定制,材質為6063-T5鋁鎂合金材料,表面經過噴砂、陽極氧化處理,具有較強的抗氧化能力; |
|
型材
|
L(mm)
|
D(mm)
|
M
|
材質
|
訂貨編號
|
|
40*
|
36
|
φ8.5
|
M5
|
6063-T5
|
CE-L8080-4036 |
聯系APAS/ Contact us
天津艾普斯工業鋁型材股份有限公司
聯系電話:022-87920088
企業傳真:(避免惡意廣告)請聯系該企業網絡管理員
服務熱線:13702119190 (24小時服務熱線)
Q Q:534973906
企業郵箱: lxc@apas.com.cn
企業地址:天津市西青經濟技術開發區賽達國際工業城A3-2
聯系電話:022-87920088
企業傳真:(避免惡意廣告)請聯系該企業網絡管理員
服務熱線:13702119190 (24小時服務熱線)
Q Q:534973906
企業郵箱: lxc@apas.com.cn
企業地址:天津市西青經濟技術開發區賽達國際工業城A3-2
采購意向留言:* 為必填















QQ咨詢
電話聯系
聯系電話

在線留言
樣冊下載
