鋁型材模型
Profile Model
Profile Model
聯系APAS / Contact us
- 地址:天津市西青經濟技術開發區賽達國際工業城A3-2.
- 郵箱:lxc@apas.com.cn
- 電話:022-87920088
- 傳真:請聯系網絡管理員
- 郵編:300385
- 咨詢熱線:13702119190(24小時服務熱線)
鋁型材模型
/ Profile Model

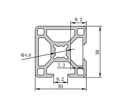
3030-2N90鋁型材三維模型
產品描述 / Name
3030-2N90鋁型材屬于30系列標準規格常用框架型材之一,主要應用于工具車、操作臺、物料架等裝備框架的設計組裝,設計師可以下載3D模型進行框架結構的設計搭建;
022-87920099
可以根據需求進行設計加工,提供上門安裝服務;可以根據特殊需求進行鋁型材開模定制。
* 免費提供工業鋁型材選型手冊 →點擊咨詢
內容來源:http://m.hzmika.cn 作者:武將 發布日期:2019年09月02日 13時09分 閱讀次數:2336 次
| 3030-2N90鋁型材三維模型介紹: |
| 2N90鋁型材特點在于90度直角邊平面結構設計,用于框架邊緣結構,表面無凹槽,整體效果美觀;3030-2N90鋁型材屬于30系列常用標準規格框架材料,常用于工作臺、物料周轉車、工具車、設備框架等框架結構的設計搭建,可以配合30系列鋁型材專用連接配件實現快速組裝; |
![]() ![]()
|
|
|
|
3030-2N90鋁型材規格參數
|
|||||||
|
規格型號
|
材質
|
型材重量
|
慣性矩
|
慣性矩
|
彎矩
|
彎矩
|
訂貨編號
|
|
profile
|
material
|
weight
|
Ix(cm^4)
|
Iy(cm^4)
|
Wx(cm3)
|
Wy(cm3)
|
order NO.
|
|
30×30-2N90
|
鋁AL(6063-T5)
|
1.17kg/m
|
3.94
|
3.94
|
2.50
|
2.77
|
P8-3030-2N90
|
聯系APAS/ Contact us
天津艾普斯工業鋁型材股份有限公司
聯系電話:022-87920088
企業傳真:(避免惡意廣告)請聯系該企業網絡管理員
服務熱線:13702119190 (24小時服務熱線)
Q Q:534973906
企業郵箱: lxc@apas.com.cn
企業地址:天津市西青經濟技術開發區賽達國際工業城A3-2
聯系電話:022-87920088
企業傳真:(避免惡意廣告)請聯系該企業網絡管理員
服務熱線:13702119190 (24小時服務熱線)
Q Q:534973906
企業郵箱: lxc@apas.com.cn
企業地址:天津市西青經濟技術開發區賽達國際工業城A3-2
采購意向留言:* 為必填














QQ咨詢
電話聯系
聯系電話

在線留言
樣冊下載
